Dalam dunia transmisi tenaga dan penanganan material, atauang yang rendah hat...
BACA LEBIH LANJUT
Kode stok : 920002
● Metode pemasangan bantalan tiang forklift
Metode pemasangan bantalan tiang yang umum digunakan adalah poros yang dipasang dengan cincin penahan yang cocok. Pencocokan antara bantalan dan poros umumnya merupakan pencocokan transisi, dan toleransi poros adalah g6 atau h6. Arah aksial dibatasi oleh cincin penahan poros standar. Selain itu, ada juga fiksasi sekrup bantalan setengah lubang, fiksasi kelenjar pas poros, dan metode lainnya.
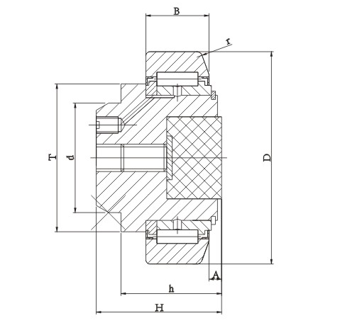
| NomoR bantalan. | Dimensi (mm) | Peringkat beban Dasar (KN) | ||||||||
| D | T | d | H | H | B | A | r | Kr | Kor | |
| CRB78.2-1SW | 78.2 | 54 | 40 | 45.7 | 36.7 | 23 | 5.8 | 4 | 62 | 108 |
| CRB78.6-1SW | 78.6 | 54 | 40 | 45.7 | 36.7 | 23 | 5.8 | 4 | 62 | 108 |
| CRB79-1SW | 79 | 54 | 40 | 45.7 | 36.7 | 23 | 5.8 | 4 | 62 | 108 |
| CRB79.4-1SW | 79.4 | 54 | 40 | 45.7 | 36.7 | 23 | 5.8 | 4 | 62 | 108 |
| CRB99.2-1SW | 99.2 | 67 | 50 | 51 | 38 | 28 | 3 | 2 | 95.4 | 160 |
| CRB99.7-1SW | 99.7 | 67 | 50 | 51 | 38 | 28 | 3 | 2 | 95.4 | 160 |
| CRB100.2-1SW | 100.2 | 67 | 50 | 51 | 38 | 28 | 3 | 2 | 95.4 | 160 |
| CRB100.7-1SW | 100.7 | 67 | 50 | 51 | 38 | 28 | 3 | 2 | 95.4 | 160 |

Dalam dunia transmisi tenaga dan penanganan material, atauang yang rendah hat...
BACA LEBIH LANJUT
Bantalan Forklift kinerja secara langsung mempengaruhi keselamat...
BACA LEBIH LANJUT
Memahami Peran Penting Bantalan Tiang dalam Penanganan Material Inti dari ...
BACA LEBIH LANJUT
Memahami Dasar-Dasar Bantalan Rol Gabungan pada Forklift Ketika Anda ingin...
BACA LEBIH LANJUT
Efisiensi operasional dan keselamatan armada penanganan material sangat berga...
BACA LEBIH LANJUT